Product Summary
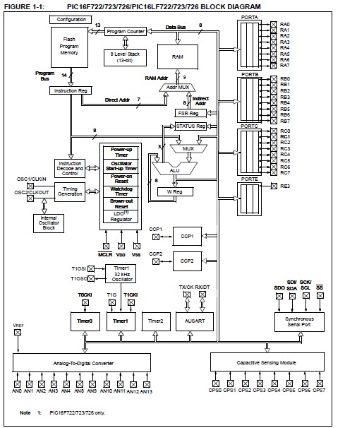
The PIC16F723-I/SS is a 28/40/44-Pin Flash-Based, 8-Bit CMOS Microcontroller. It has a 13-bit program counter capable of addressing a 2K x 14 program memory space.
Parametrics
Absolute maximum ratings: (1)Ambient temperature under bias: -40℃ to +125℃; (2)Storage temperature: -65℃ to +150℃; (3)Voltage on VDD with respect to VSS, PIC16F72X: -0.3V to +6.5V; (4)Voltage on VDD with respect to VSS, PIC16LF72X: -0.3V to +3.6V; (5)Voltage on MCLR with respect to Vss: -0.3V to +9.0V; (6)Voltage on all other pins with respect to VSS: -0.3V to (VDD + 0.3V); (7)Total power dissipation: 800 mW; (8)Maximum current out of VSS pin: 300 mA; (9)Maximum current into VDD pin:250 mA; (10)Clamp current, IK (VPIN < 0 or VPIN > VDD): ± 20 mA; (11)Maximum output current sunk by any I/O pin: 25 mA; (12)Maximum output current sourced by any I/O pin: 25 mA; (13)Maximum current sunk by all ports(2), -40℃ ≤ TA ≤ +85℃ for industrial: 200 mA; (14)Maximum current sunk by all ports(2), -40℃ ≤ TA ≤ +125℃ for extended: 120 mA; (15)Maximum current sourced by all ports(2), 40℃ ≤ TA ≤ +85℃ for industrial: 200 mA; (16)Maximum current sourced by all ports(2), -40℃ ≤ TA ≤ +125℃ for extended: 120 mA.
Features
Features: (1)Precision Internal Oscillator: 16 MHz or 500 kHz operation; Factory calibrated to ±1%, typical; Software tunable; (2)Power-Saving Sleep mode; (3)Industrial and Extended Temperature Range; (4)Power-on Reset (POR); (5)Power-up Timer (PWRT) and Oscillator Start-up Timer (OST); (6)Brown-out Reset (BOR): Selectable between two trip points; Disable in Sleep option; (7)Multiplexed Master Clear with Pull-up/Input Pin; (8)Programmable Code Protection; (9)High-Endurance Flash Cell: 1,000 write Flash endurance (typical); Flash retention: > 40 years; (10)Wide Operating Voltage Range: 1.8V-5.5V.
Diagrams

| Image | Part No | Mfg | Description | ![]() |
Pricing (USD) |
Quantity | ||||||||||||
|---|---|---|---|---|---|---|---|---|---|---|---|---|---|---|---|---|---|---|
![]() |
![]() PIC16F723-I/SS |
![]() Microchip Technology |
![]() 8-bit Microcontrollers (MCU) 7 KB Flash 18V-55V 16 MHz Int Osc |
![]() Data Sheet |
![]()
|
|
||||||||||||
| Image | Part No | Mfg | Description | ![]() |
Pricing (USD) |
Quantity | ||||||||||||
![]() |
![]() PIC1018SCL |
![]() Other |
![]() |
![]() Data Sheet |
![]() Negotiable |
|
||||||||||||
![]() |
![]() PIC10F200 |
![]() Other |
![]() |
![]() Data Sheet |
![]() Negotiable |
|
||||||||||||
![]() |
![]() PIC10F200-E/MC |
![]() Microchip Technology |
![]() 8-bit Microcontrollers (MCU) 384B Flash16B RAM 4 I/O |
![]() Data Sheet |
![]()
|
|
||||||||||||
![]() |
![]() PIC10F200-E/OT |
![]() Other |
![]() |
![]() Data Sheet |
![]() Negotiable |
|
||||||||||||
![]() |
![]() PIC10F200-E/P |
![]() Microchip Technology |
![]() 8-bit Microcontrollers (MCU) U 579-PIC10F200-I/P |
![]() Data Sheet |
![]() Negotiable |
|
||||||||||||
![]() |
![]() PIC10F200-I/MC |
![]() Microchip Technology |
![]() 8-bit Microcontrollers (MCU) 0.375KB Fl 16B RAM |
![]() Data Sheet |
![]()
|
|
||||||||||||
(China (Mainland))










